nikhil b lal

engineer, inventor, researcher

xtool x cba bike repair
SCARA Arm Workshop
Scroller
Covid autoclave shield
Retro cycle
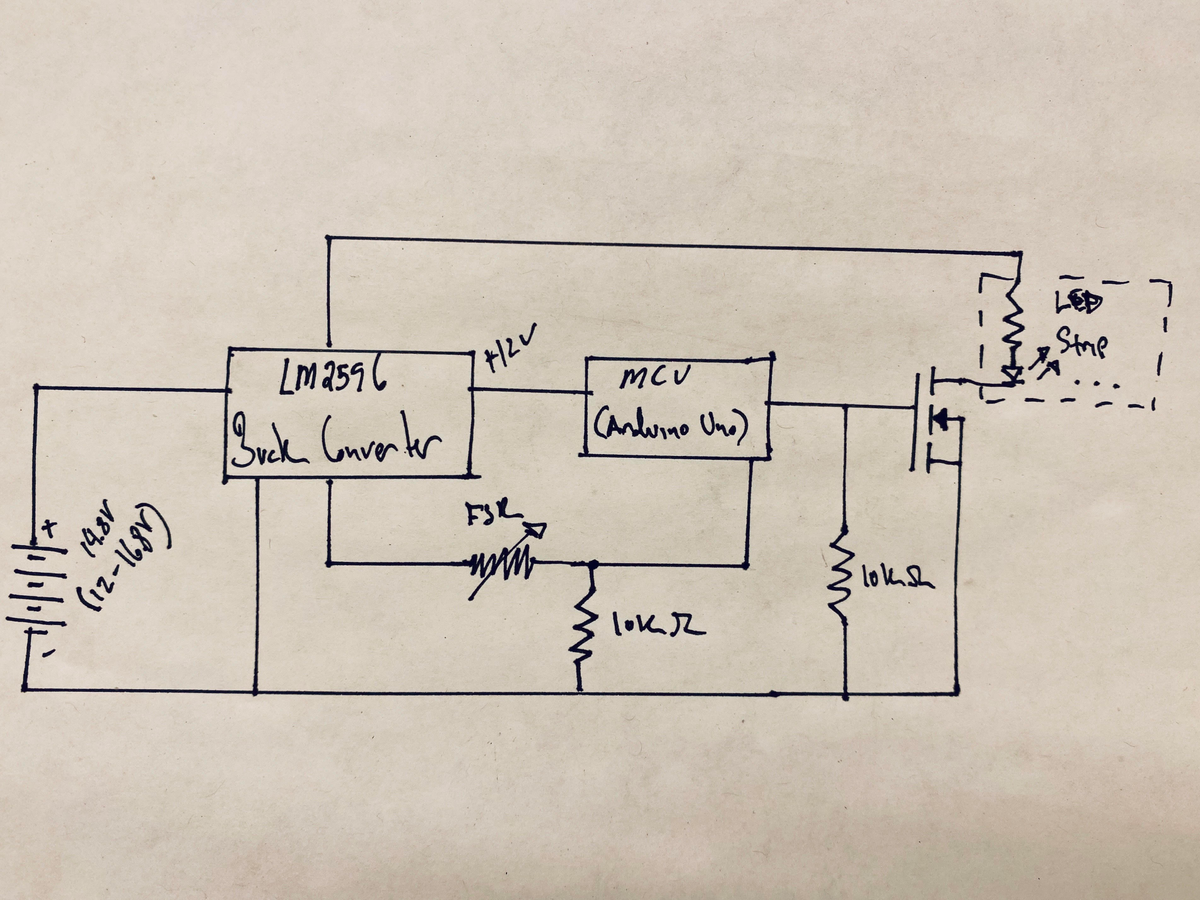
Heartbeat cycling jacket
Stealthy electric city bike
Record-setting pressure cycler
NOTAR Analysis
Founding of the Rapid Prototyping Lab
Windmill Design